|
CHAPTER 3 QUANTITY AND QUALITY CONTROL |
Section I. Accountability and Inventory
PETROLEUM ACCOUNTING RECORDS AND REPORTS
Soldiers storing or transferring class III products must accurately account for receipt, issue, and stocks on hand for both bulk and packaged products. The biggest challenge in accounting for Class III products (particularly bulk products) is adequately measuring them. This section discusses petroleum accounting records and reports. It also discusses petroleum measurement techniques. DA Pamphlet 710-2-1 or 710-2-2 (as appropriate) give detailed procedures for bulk petroleum accounting procedures. A discussion of accountability forms follows.
- Daily Status Report. Soldiers operating a Class III facility submit reports showing quantities of product received, issued, and on hand. They submit this report at the times required by their higher headquarters. The report is in the format required by higher headquarters. Although they usually submit this report once a day, commanders may adjust this frequency to meet operational needs.
- DD Form 1348-1. Soldiers receiving petroleum into a Class III facility use DD Form 1348-1 (Figure 3-1) to record the receipt. They complete the receipt by verifying the types and amounts of product listed are correct. They then sign and date the form in block 7.
- DA Form 2765-1. Customers use DA Form 2765-1 (Figure 3-2) to request packaged and bulk products. They may also use it to turn in excess cans, drums, or supplies. Soldiers making an issue should write the issue quantity on the form, initial, and date it. ULLS S4 automates this form.
- DA Form 3643. (Figure 3-3, page 3-3) This form is the basic accountability record for receipts and issues at a supply point. The vehicle operator or convoy commander signs the form to acknowledge product receipt.
- DA Form 3644. Soldiers doing accountability post summarized information from DA Form 3643 to DA Form 3644 (Figure 3-4) to show total monthly issues and receipts. Soldiers at the supply point or their next higher headquarters may prepare this report. If soldiers at the supply point prepare the report, they must send it to the responsible centralized stock accounting section for accounting record adjustment.
- DA Form 4702-R. Units use DA Form 4702-R (Figure 3-5) to report all losses or gains revealed by monthly inventories. They may locally reproduce this form on 8 ½- by 10-inch paper. Inventory losses reflected on this form that exceed those allowed by DA Pamphlet 710-2-2 or that are disapproved by the approving authority are cause for initiating a report of survey. Gains in excess of the allowable limit must be investigated to determine the cause. A copy of the investigation report must be attached to DA Form 4702-R as a supporting document.
- DA Form 2064. Personnel operating Class III storage facilities must establish a stock record card or property record for each type or grade of product. They use DA Form (Figure 3-6) to post accountable records.
- Stock/Property Records. Keep day-by-day stock/property records to show where and how much of each product is on hand at a storage facility. Two different forms can be used for this purpose: DA Form 1296 (Figure 3-7) and DA Form 3328 (Figures 3-8).
- DA Form 3853-1. This form is used to record physical inventories of bulk fuel. The use of this form is given in DA Pamphlet 710-2-1 and 710-2-2.
Figure 3-1. DD Form 1348-1 (DOD Single Item release/Receipt Document)
Figure 3-2. DA Form 2765-1 (Request for Issue or Turn-In)

Figure 3-3. DA Form 3643 (Daily Issues of Petroleum Products)

Figure 3-4. DA Form 3644 (Monthly Abstract of Issues of Petroleum Products and Operating Supplies)

Figure 3-5. DA Form 4702-R (Monthly Bulk Petroleum Accounting Summary)

Figure 3-6. DA Form 2064 (Document Register for Supply Actions)

Figure 3-7. DA Form 1296 ( Stock Accounting Record)

Figure 3-8. DA Form 3328 (Property Record)
Petroleum Products Inventory
Specific procedures are used to inventory petroleum products. These procedures are given below.
- Packaged Petroleum Products. Inventory all packaged petroleum products at least once a year according to procedures in AR 735-5. Adjust any inventory discrepancies according to AR 735-11.
- Bulk Products. Inventory all bulk petroleum products as of 0800 on the last day of the month. Post it within three working days according to DA Pamphlet 710-2-1. Use DA Form 4702-R to record the inventory. Follow these steps to record the inventory.
·
·
Enter the opening inventory on the accounting summary. The opening inventory is the total amount of bulk petroleum on hand at the beginning of the month. Record physical inventories on DA Form 3853-1 (use the remarks block for petroleum tank vehicles).
·
·
On the next two lines, enter a summary of all monthly receipts and issues of bulk petroleum given on DA Form 3644.
·
·
Enter the closing inventory to the summary. Estimate the closing inventory for collapsible tanks by subtracting issue totals from receipt totals.
·
·
Record the monthly loss on the summary. Calculate the monthly loss by subtracting the closing inventory from the closing book balance.
·
·
Enter the maximum allowable loss on the form. Determine the maximum allowable loss by adding the opening inventory to the receipts. Then multiply this figure by .01 for motor gasolines, aviation gasolines, and turbine fuels (except JP-8), and .005 for all other fuels (including JP-8).
·
·
If the monthly loss is greater than the maximum allowable loss and the dollar value is greater than $500, prepare a DA Form 4697 according to AR 710-2.
Section II Petroleum Product Measurement
BULK PETROLEUM PRODUCT MEASUREMENT
Bulk petroleum products are measured in two steps. These steps are given below.
- The first step is to gage the product. Gaging consists of measuring the bottom sediment and water and the temperature and height of the product. The height of product in a storage tank can be determined by measuring innage or outage (ullage). Innage is the depth of the product from its surface to the tank bottom or datum plate. Outage (ullage) is the height of space above the liquid from a reference point on the tank to the surface of the product. Gaging is used to determine the amount of product on hand and the amount of water in storage tanks. Also, it is used to detect leaks or unauthorized withdrawals and to determine tank ullages for receiving shipments.
- The second step is to calculate the net quantity of the product at 60°F. This step is needed because petroleum volume varies with temperature. The standard temperature on which to base accountability measurement is 60°. AR 710-2 gives gaging and volume correction policies.
MEASURING EQUIPMENT
Special equipment is needed to measure bulk petroleum. Innage and outage, are the two basic ways of measuring bulk petroleum. Innage is the depth of the product from its surface to the tank bottom or datum plate. Outage (also called ullage) is the height of space above the liquid from a reference point on the tank to the surface of the product. This equipment is given below.
Tape and Bob
The two types of tape and bob are innage and outage. They are used to measure petroleum in fixed storage tanks. Both are graduated on one side to 1/8-inch divisions. Figure 3-9, 3-8, shows an innage tape and bob. The tip of the bob is the zero point of the tape and bob. Figure 3-10, page 3-9, shows an outage tape and bob. The zero point is the point of contact between the snap and the eye of the bob.
Petroleum Gage Stick
A petroleum gage stick is used to determine the innage of a tank vehicle or a nonpressurized tank car. The stick is graduated in 1/8-inch divisions from the bottom upward. The bottom of the stick usually has a hard metal tip. The gage stick should be long enough to gage the entire height of a tank. When using the stick, make sure to lower it vertically into the tank as shown in Figure 3-11, page 3-9, step A. Make sure it does not rest on a rivet head or other object within the tank. When lowering the stick, be do not splash the product and cause an inaccurate cut.
Tank Vehicle Gage Stick
Each tank vehicle has its own gage stick which is graduated in 25-gallon divisions. The only difference in use between this stick and the petroleum gage stick is that the product cut is recorded in gallons. Estimate as closely as possible the indicated volume when the cut mark falls between divisions. The 5,000-gallon tank semitrailers have gage sticks marked at the top to show which scale to use for each tank compartment.
Yardstick
A yardstick, along with the graph shown in Figure 3-11, page 3-9, step B, can be used as a field expedient to determine the approximate number of gallons in a 55-gallon drum. To do this, place the drum in a vertical position. Lower the yardstick into the drum to get a wet-inch-depth reading. Then use the line on the graph to get the approximate number of gallons at 60°F.

Figure 3-9. Innage tape and bob

Figure 3-10. Outage tape and bob

Figure 3-11. Petroleum gage stick and yardstick
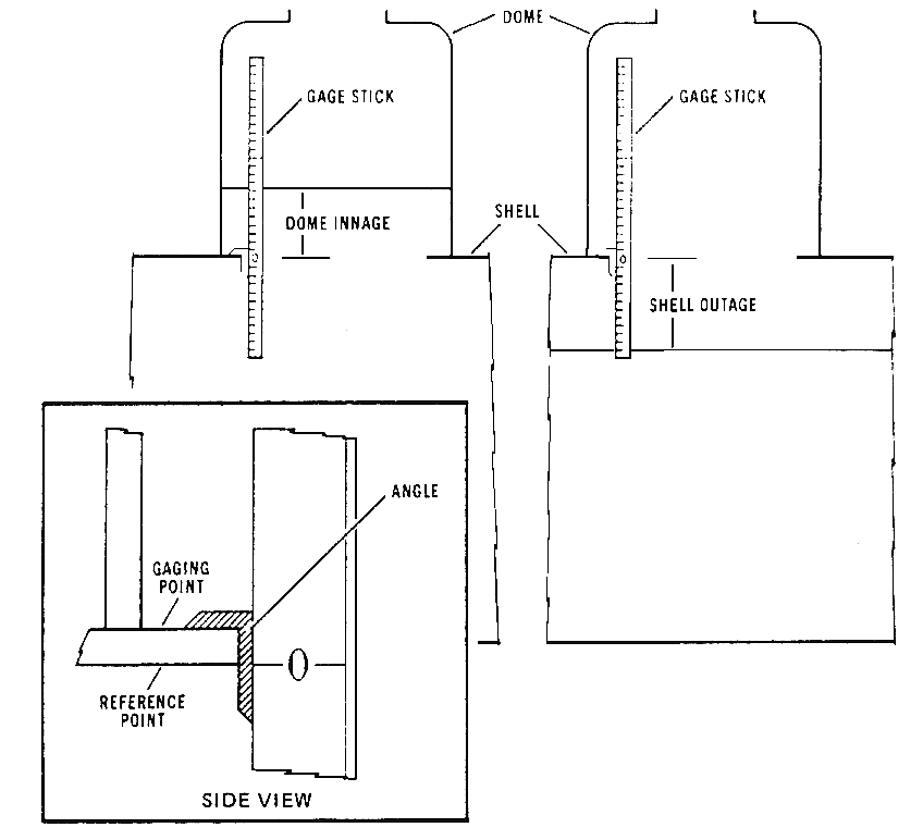
Tank Car Gage Stick
Use the tank car gage stick to determine dome innage and shell outage in nonpressurized rail tank cars that have shell outages of 1 foot or less. If the tank car has more than 1 foot of shell outage, use a petroleum gage stick or an innage tape and bob. The tank car gage stick is made of hardwood or similar material. It is 36 inches long. The stick (Figure 3-12) has two scales, with a common zero mark 12 inches from the lower end, graduated upward and downward in 1/8-inch divisions. A brass angle is used to position the gage stick. The angle is attached at the zero mark on the gage stick. Use the gage stick as given below.
- Taking the gage. Insert the gage stick, with the short end down, through the dome hatch into the tank car so that the angle rests on the tank shell at the gaging point (Figure 3-13, page 3-11). The gaging point should be the highest point of the tank car shell on a line with the lengthwise center of the car. Find where the shell plates overlap along the centerline of the tank. Select a gaging point on the interior of the tank. If the product level is in the dome and the gaging stick is not visible, it may be necessary to probe with the end of the stick to find it. Make sure the angle does not rest on a rivet head and that the stick is vertical.
- Recording the gage. Take the stick out. Read the product cut on the scale to the nearest 1/8 inch. If the cut is below the zero mark, record it as the dome innage. Get at least two readings that are the same to make sure that the gage is accurate.

Figure 3-12. Tank car gage stick

Figure 3-13. Using the tank car gage stick to determine dome innage and shell outage
Portable Petroleum Sampling and Gaging Kit
The portable petroleum sampling and gaging kit (Figure 3-14, page 3-12) is used at bulk storage facilities. It is used to gage tanks and to measure product temperature. Also, it is used to detect bottom sediment and water, to make volume calculations, and to sample fuels. The kit is referenced in SC 6680-90-CL-N01. It weighs 22 pounds. The kit consists of an aluminum carrying case fitted with measuring and sampling equipment. The major parts of the kit are listed below.
- Olive drab, aluminum carrying case
- Cup-case thermometer, 0° to 180°F range
- Innage tape and bob
- Hydrometers, ranging from 19° to 81° API gravity
- Hydrometer cylinder with removable base
- Weighted beaker sampler
- Widemouthed sampling bottle
- Brass-coated chain
- Gasoline-indicating paste
- Water-indicating paste
- Cheesecloth
- Gravity computer with case
- American Society for Testing Materials (ASTM) pamphlets

Figure 3-14. Portable petroleum sampling and gaging kit
Gaging Terms
Gaging operations requires using special terms. Definitions of the following terms are found in the glossary.
- Reference Point
- Reference Height
- Datum Plate
- Cut
- Opening Gage
- Closing Gage
- Total Measured Quantity
- Bottom Sediment and Water
- Net Quantity of Product
- Delivered Quantity at 60°F
- API Gravity
Degrees API = (141.5/(API @ 60°F / 60°F)) -131.5
GAGING PROCEDURES
All petroleum storage containers must be gaged IAW AR 710-2. General safety gaging procedures are given below.
General Precautions and Procedures
Follow these precautions and procedures during any gaging operation:
- Never conduct gaging operations in an electrical storm.
- Ensure soldiers doing the gaging check to see that the tank vehicles and tanks being gaged are properly bonded and grounded. Before starting gaging operations, they should ground themselves by touching their bare hands to the tank shell being gaged.
- Ensure supervisors do a safety risk assessment on whether soldiers should wear field gear during gaging operations. Although field gear can fall off and contaminate fuel and possibly create static electricity discharges, these factors should be balanced against the facts that a soldier could be severely injured from falling off tank vehicles or possibly injured due to the tactical situation (sniper fire, riots during contingency operations). In forward areas on tank vehicles, soldiers should wear full field gear, since the danger from related injuries is high and explosion and contamination dangers are relatively low. For operations on large fixed tanks in rear or garrison areas, soldiers should remove all loose uniform and field gear items that may potentially fall into the tank, since injury risks are relatively low, but the results of a static electricity discharge or fuel contamination are large.
- Open all hatches from the upwind side to allow the wind to blow vapors away from the gager. Avoid breathing vapors and fumes. Never allow soldiers to conduct gaging operations or any other petroleum operation alone. Train soldiers to recognize the symptoms of excess vapor inhalation and the steps to take if someone is overcome with petroleum vapors.
- Stand on the gaging platform, if the tank has one. Avoid standing on the roof.
- Keep the tape in a tape and bob against the rim of the gaging hatch at all times to avoid buildup of static electricity. Wipe the tape clean and dry after each use.
- Gage all incoming bulk deliveries for water bottoms before the products are received. Drain off any water found in tank cars or tank vehicles before discharging the product.
- Allow as much time as possible for water, solids, and bubbles to settle before gaging after adding fresh stock to a fixed storage tank. If time permits, allow a two-hour settling time for all aviation, automotive, and diesel fuels. In ship-to-shore discharge, tanks may be gaged after product has settled for 30 minutes. Then the final discharge report can be completed before the vessel sails. Let heavy products, such as burner fuels, settle for at least 24 hours.
- Take readings to the nearest 1/8 inch on measuring devices calibrated in inches. Repeat gaging until two readings match. If possible, use two gagers to take alternate readings.
- Take the product temperature immediately before or after gaging so that the volume can be corrected to 60°F. Quantities of product are volume corrected according to AR 710-2.
Gaging Tankers and Rail Tank Cars
Gage tankers and rail tank cars with specific measuring devices as described in the paragraph above. To measure bottom sediment and water, do the following:
- Apply a thin, even coat of water-indicating paste to the portion of the gage stick that will be at the interface of water and product. Do not apply an excessive amount of paste. This increases the time it takes for the water to react with the paste. It may also cause inaccurate readings.
- Leave the gage stick in position for 5 to 10 seconds for MOGAS, kerosene, and similar light products and 15 to 30 seconds for heavier products. When gaging a vehicle containing a heavy viscous product, apply a thin, even film of light lubricating oil over the water-indicating paste and leave the gage stick in position for at least 60 seconds.
- Take the gage stick from the tank, and look at the water cut on the scale. The water should either remove or discolor the paste on the portion of the scale that was in the water. Record the water cut as either water innage or outage.
Gaging Storage Tanks Using Tapes And Bobs
Use innage and outage tape bobs to measure petroleum tanks. They are usually used for large, fixed storage tanks. Procedures for their use follows.
- Innage gage. Review the last innage gage sheet posted to determine expected product level before gaging a tank. To get an innage gage using the innage tape and bob, refer to Figure 3-15, page 3-15, and follow the steps below:
·
·
Place product-indicating paste on the tape where product cut is expected. Place the unmarked side of the tape against the metal rim of the gaging hatch reference point.
·
·
Lower the tape and bob into the tank until the bob is a short distance from the bottom. To determine this, compare the length of the unwound tape with the reference height of the tank.
·
·
Unwind the tape slowly until the tip of the bob touches the tank bottom or datum plate. Make sure the bob does not rest on a rivet or other obstruction. Make sure the tape is not lowered so far into the tank that the bob tilts and causes an incorrect gage. To ensure accurate gage, compare the tape reading at the reference point with the reference height of the tank.
·
·
Withdraw the tape quickly, and observe the product cut. Record the cut as the innage gage. If the cut is hard to read, put product-indicating paste on the tape. (Grease or light lubricating oil may be used instead of the paste.) Gage the tank again. It is usually easier to see the product cut on the back of the tape.
·
·
Get two identical readings to make sure the measurement is correct. When taking opening and closing gages, use the same gaging equipment and hatches for both gages. Make sure the tape is lowered to the same depth for both gages.

Figure 3-15. Taking an innage reading using an innage tape and bob
- Outage gage using innage tape and bob. To get an outage gage or ullage using the innage tape, and bob, refer to Figure 3-16, page 3-16, and follow the steps below.
·
·
Place the unmarked side of the tape against the metal rim of the gaging hatch at the reference point.
·
·
Lower the tape and bob into the tank until the bob touches the surface of the product.
·
·
Wait until the bob stops moving. Lower the tape slowly until the bottom of the bob is 2 to 3 inches below the surface of the product. Record the reading on the tape at the reference point as the tape reading.
·
·
Withdraw the tape quickly, and record the product cut on the bob as the bob reading. It is the cut is hard to read, put product-indicating paste on the bob and gage the tank again.
·
·
To get the outage gage, subtract the bob reading from the tape reading. For example, if the tape reading is 6 feet 4 inches and the bob reading is 2¼ inches, the outage gages is 6 feet 1¾ inches.
·
·
To convert the outage gage to innage gage, subtract the outage gage from the reference height of the tank.

Figure 3-16. Taking an outage reading using an innage tape and bob
- Outage tape and bob use. To get an outage gage or ullage using an outage tape and bob, refer to Figure 3-17, page 3-17, and follow the steps below.
·
·
Hold the unmarked side of the tape against the metal rim of the gaging hatch at the reference point.
·
·
Lower the tape and bob into the tank until the bob touches the surface of the product.
·
·
Wait until the bob stops moving. Lower the tape slowly until the bottom of the bob is 2 to 3 inches below the surface of the product. Record the reading on the tape at the reference point as the tape reading.
·
·
Withdraw the tape quickly, and record the product cut on the bob as the bob reading. If the product cut is hard to read, put product-indicating paste on the bob and gage the tank again.
·
·
Add the bob reading to the tape reading to get the outage gage.
·
·
Subtract the outage gage from the reference height of the tank to convert outage gage to innage gage.

Figure 3-17. Taking an outage reading using an outage tape and bob
- Bottom sediment and water. Measure for bottom sediment and water each time storage tanks containing liquid petroleum products are gaged. This is necessary to find the actual product amount present in the tank. Bottom sediment and water often accumulate in different parts of a tank bottom. They usually accumulate on the side opposite a filling line or on either side of an outlet. When the tank has several hatches, take gages from each hatch. Average the gages to get one bottom sediment and water gage for the entire tank. Measure the height of bottom sediment and water by doing the following:
· · Use water-indicating paste to determine the water cut (Figure 3-18). Put a thin, even coat of paste on the part of the bob that will be at the point where water and product meet. Be careful not to put so much paste on the bob that it will cause a false reading. If the depth of the water is greater than the length of the innage bob, use a water gage bar (Figure 3-19) to measure the water in the tank.

Figure 3-18. Taking water innage and outage readings

Figure 3-19. Typical water gage bars
·
·
Hold the side of the tape against the metal rim of the gaging hatch at the reference point.
·
·
Lower the tape and bob into the tank until the bob is a short distance from the bottom. Determine this by comparing the length of the unwound tape with the reference height of the tank.
·
·
Unwind the tape slowly until the tip of the bob touches the tank bottom or datum plate. Make sure the bob does not rest on a rivet or other obstruction. Make sure the tape is not lowered so far into the tank that the bob will tilt and cause an incorrect reading.
·
·
Keep the tape and bob in the gaging position 5 to 10 seconds for kerosene, gasoline, and other light products. Keep it in position for 15 to 30 seconds for heavier products.
·
·
Remove the tape and bob from the tank. There should be no paste left on the portion of the bob that was in the water or the paste should be discolored. Record the water cut as a water innage or outage.
TEMPERATURE MEASUREMENT
During gaging operations, take product temperature. This is necessary to correct the measured quantity to quantity at the standard temperature of 60°F. Volume-correct quantities IAW AR 710-2. When gaging large amounts of product, take several temperature readings at various depths. An average of these readings gives the true product temperature. Table 3-1 gives the minimum number of temperature readings and the measurement levels for various product depths. As a rule, the cup-case thermometer is used to measure temperature. Table 3-2 shows minimum immersion times for the cup-case thermometer in various petroleum products. Temperature measuring procedures are as follows:
- Examine the mercury column of each cup-case thermometer for separations. Replace the thermometer if the column is faulty. Mercury separations cause incorrect readings.
- Inspect the thermometers for accuracy. Expose them, as a group, to the same atmospheric temperature. Compare the readings. Replace any thermometer with a reading that differs from the group by 1°F or more. Ensure that all tank thermometers are proved against a reference standard annually.
- Use Table 3-1 to determine the minimum number of readings and the measurement levels required for the operation. If extreme differences in temperature are suspected, take more readings. Do this to find the true average temperature of the product.
- Attach the thermometer to the end of a gage tape, brass-coated chain, or cord. If a cord is used, tie knots in the cord so that they will show when the thermometer reaches the required level.
- Lower the thermometer to the required level. Leave it there at least as long as shown in Table 3-2.
- Take the thermometer out of the tank, and read it at once. Shelter the cup below the hatch to reduce temperature changes caused by wind or atmosphere. Withdraw a full cup of product from the tank when taking the reading. Try not to spill it. Record the temperature to the nearest degree Fahrenheit.
- Add all the readings together when measurements are taken at more than one level. Divide this sum by the number of readings taken to get the true average temperature of the product.
Table 3-1. Petroleum product temperature measurements.
|
DEPTH OF PRODUCT |
MINIMUM NUMBER OF TEMPERATURE MEASUREMENTS |
MEASUREMENT LEVELS |
|
More than 15 feet |
3 |
3 feet below top surface of product
|
|
10 to 15 feet |
3 |
3 feet below top surface of product, 3 feet above bottom. |
|
Less than 10 feet |
1 |
Middle of Product |
Table 3-2. Minimum immersion times for the cup-case thermometer.
|
PRODUCT |
TIME
|
|
Automotive gasoline (MOGAS), aviation gasoline (AVGAS), kerosene, diesel fuel, jet fuel, and grades 1 and 2 burner fuel oil |
5 |
|
Grades 4, 5, 6, and Navy Special burner fuel oil. |
15 |
|
NOTE: This conforms to Table IV, Minimum Immersion Time for Cup-Case Assembly, API Standard 2543, ASTM Designation D 1086. Product listings are not comprehensive |
|
VOLUME CALCULATIONS
Do volume calculations according to AR 710-2. Capacity tables showing quantities of either innage or outage gages should be based on accurate tank calibration data. The calibration charts should be checked periodically. Also, they should be checked when repairs and modifications are made to the tank. The following paragraphs discuss volume calculations for liquid petroleum products.
- Total Measured Quantity. From the tank capacity table, find the total measured quantity corresponding to the product gage. If the tank capacity table is an outage table and an innage gage has been obtained, convert the innage to outage gage. To do this, subtract the innage gage from the reference height. To convert outage gage to innage gage, subtract the outage gage from the reference height. If using a gage stick calibrated in gallons, determine total measured quantity directly as according to paragraph on Measuring Equipment.
- Bottom Sediment and Water. Find the amount of bottom sediment and water corresponding to the water gage from the tank capacity table or from the water cut on gage stick. Subtract this from the total measured quantity to get the net quantity of product, uncorrected.
- API Gravity. Measure the API gravity with the correct hydrometer listed in Table 3-3. This hydrometer gives both the API gravity reading and the observed temperature reading of the sample. The observed gravity reading must be converted to API gravity at 60°F using the tables prescribed in AR 710-2.
- Volume Correction Factor. Use the volume correction factor to correct fuel volume observed at temperatures other than 60°F. Do this after getting the API gravity reading at 60°F and the average temperature of product in the tank. Do volume corrections according to DA Pamphlet 710-2-1. Use the columns in the appropriate table that correspond to the temperatures of the product in the tank and the API gravity recorded on the gage sheet to get the factor. Enter this factor as the multiplier on the gage sheet. Appendix I gives more detailed procedures for computing volume correction factors.
- Net Quantity of Product. To determine the net quantity of product, multiply the total measured quantity by the proper volume correction factor. The total measured quantity must be corrected for bottom sediment and water.
- Storage Tank Gage Report. Record gaging information on DA Form 3853-1 (Figure 3-20), DA Form 3853-2, (Figure 3-21) or DA Form 3853-3 (Figure 3-22). Tabulate the information on these forms every 24 hours to keep an inventory of bulk petroleum products.
Table 3-3. List of equipment required to make volume corrections.
|
NSN |
ITEM |
|
6630-00-265-7610 |
Hydrometer, graduated scale, API 9 to 21 range
|
|
6630-00-265-7611 |
Hydrometer, graduated scale, API 19 to 31 range,
|
|
6630-00-265-7758 |
Hydrometer, graduated scale, API 29 to 41 range
|
|
6630-00-265-7759 |
Hydrometer, graduated scale, API 39 to 51 range
|
|
6630-00-265-7764 |
Hydrometer, graduated scale, API 49 to 61 range
|
|
6630-00-265-7765 |
Hydrometer, graduated scale, API 59 to 71 range
|
|
6630-00-815-2267 |
Hydrometer, graduated scale, API 69 to 81 range
|
|
6640-01-020-8801 |
Cylinder, ungraduated, 300mm high, 28.6 mm |
|
6685-00-239-4937 |
Cup-case thermometer |
|
6685-00-247-3739 |
Replacement thermometer |
|
6850-00-001-4194 |
Water-indicating paste. |
|
6850-00-270-5526 |
Fuel-indicating paste |

Figure 3-20. DA Form 3853-1 (Innage gage sheet (Using innage tape and bob))

Figure 3-21. DA FORM 3853-2 (Outage gage sheet (Using innage tape and bob))

Figure 3-22. DA Form 3853-3 (Outage gage sheet (Using outage tape and bob))
Section III. Sampling
TYPES OF SAMPLES
Samples are important because they are used to determine the quality of petroleum products. A sample is a small amount of petroleum which is representative of the whole product. The sample types are given below.
- Top. A top sample is taken with a bottle or beaker sampler about 6 inches below the product surface.
- Upper. An upper sample is taken with a bottle or beaker sampler from the middle of the top third of the product.
- Middle. A middle sample is taken with a bottle or beaker sampler from the middle of the product.
- Lower. A lower sample is taken with a bottle or beaker sampler from the middle of the bottom third of the product.
- Bottom. A bottom sample is taken with a Bacon bomb thief sampler from material or product on the bottom of the tank.
- All-Levels. An all-levels sample is taken by submerging a closed bottle or beaker sampler as close as possible to the bottom of a tank or container. The sampler is then opened and raised at a uniform rate so that it is 75 to 85 percent full when it comes out of the liquid.
- Spot. A spot sample is taken at a specific place in the tank.
- Composite. A composite sample combines individual samples that represent the bulk from which they were taken. The samples can be a single-tank or a multiple-tank composite sample.
- Single-Tank Composite. A single-tank composite sample is a blend of the upper, middle, and lower samples of the contents of a tank. The blend has equal parts of the three samples from a tank with uniform cross sections. An upright cylindrical tank has uniform cross sections. The blend from a horizontal cylindrical tank consists of proportions of the three samples as shown in Table 3-4
- Multiple-Tank Composite. A multiple-tank composite sample is a blend of single, all-levels samples taken from tanker or barge compartments that contain the same product. The sample consists of parts in proportion to the volume of product in each compartment sampled.
- Outlet. An outlet sample is taken with a bottle or beaker sampler at the level of a tank outlet, whether fixed or swing line.
- Drain. A drain sample is taken from the drawoff or discharge valve.
- Continuous. A continuous sample is one taken from a pipeline when the product is allowed to collect slowly in a sampler during the entire flow time. It represents the stream of product during the period of sampling.
Table 3-4. Sampling instructions for horizontal cylindrical tanks.
|
LIQUID DEPTH,
|
SAMPLING LEVEL
|
COMPOSITE SAMPLE,
|
||||
|
UPPER |
MIDDLE |
LOWER |
UPPER |
MIDDLE |
LOWER |
|
|
100
|
80
|
50
|
20
|
3
|
4
|
3
|
TYPES OF SAMPLERS
There are several different types of samplers used to take liquid petroleum samples. These are given below.
- Weighted Beaker. The weighted beaker sampler (Figure 3-23) is a copper bottle permanently attached to a lead base. A drop cord or brass-coated chain is connected to the stopper so that the sampler can be opened anywhere beneath the surface of the product. This sampler is used to take upper, middle, lower, or all-levels samples of petroleum products at no more than 16 PSI Reid vapor pressure. It is used to take samples from tank cars, tank vehicles, barges, ship tanks, and shore storage tanks.
- .The Bacon bomb thief may be modified as shown in (Figure 3-24) to speed up operations, save product, and reduce health hazards.
- Tubular Tank Thief (Tulsa Thief). The tubular tank thief or Tulsa thief (Figure 3-25) is a bottom sampler. It is best suited for taking heavy bottom samples in storage tanks. A chain is used to open the sampler at any depth in the tank.
- Weighted Bottle Plug. The weighted bottle plug sampler (Figure 3-26) is a glass bottle seated in and tied to a metal holder. This sampler is used in the same way as the weighted beaker sampler.

Figure 3-23. Weighted beaker sampler

Figure 3-24. Bacon bomb thief sampler

Figure 3-25. Tubular tank thief

Figure 3-26. Weighted bottle plug sampler
SAMPLE SIZE
Sample size varies with product type and the type of test required. As a rule, liquid samples should be 1 gallon and semisolid samples should be 5 pounds. Special samples and samples for testing by the supercharge method should be at least 5 gallons, unless otherwise specified. A 5-gallon sample should be submitted when jet fuels are tested for thermal stability.
PROCEDURES AND PRECAUTIONS
ASTM Method D 4057 has specific information on standard sampling procedures. When taking samples, follow the procedures in the ASTM manual and the precautions listed below:
- Make sure all sampling equipment and containers are clean, dry, and free of lint and fibrous material.
- Rinse samplers and containers with a portion of the product being sampled. This is to make sure the product is not contaminated with a previous material. Rinse all cans to remove any soldering flux.
- Clean samplers immediately after use. Store them in a place where they will stay clean until they are used again.
- Before taking a continuous sample, draw enough product through the sample connection to displace all the product in the sample lines and fittings.
- Do not take samples through storage tank cleanout lines, water drawoffs, bleeder valves, or hoses. These samples are not representative of the product in the tank.
- If a service station tank does not have a manhole or sampling hatch, take the sample from the service hose after discharging a volume of product about two times the capacity of the hose.
- Do not fill any sample container above 90 percent of its capacity. If the container is filled to capacity, it may leak because of thermal expansion of the product.
- Tightly close all sample containers immediately after they are filled. Do no use sealing wax, paraffin, rubber gaskets, pressure-sensitive tape, or similar material to seal containers. Crate light sample containers well so that they will withstand shipment.
- Put gasoline, jet fuel, and kerosene samples in clean, dry cans or brown bottles to protect them from direct sunlight.
- Carefully handle all samples of gasoline and jet fuel that require vapor pressure tests. Cool these samples, if possible, to prevent the loss of light ends and volatile materials. Try to keep all liquid fuel samples at a temperature between 32° and 42°F to help preserve product characteristics.
- Collect aviation fuel samples in glass bottles if they are to be submitted for water and sediment tests to a local laboratory. Put the samples in brown glass bottles or clear gas bottles with covers. Such bottles prevent color dye precipitation which is caused by exposure to sunlight. Submit 1-gallon DOT-approved metal sample containers for gasoline or aviation fuels which will be shipped by a military or commercial activity. Use only sample containers that have been rinsed with petroleum ether for sediment tests. Rinse sample containers with the product to be sampled prior to taking the actual sample.
SAMPLE IDENTIFICATION
Each petroleum sample shipped to a petroleum laboratory for analysis must have a completed sample tag securely attached. The tag is DA Form 1804 (Figure 3-27). Also, an informal record log must be maintained for all samples sent to the petroleum laboratory. When the sample is from a packaged product, all markings on the container should be copied on the sample tag. Samples of liquid packaged petroleum lubricants in containers of less than 5 gallons should be sent to the laboratory in the original containers. The same applies to semisolids in containers of less than 35 pounds. Entries on the sample tag should be typewritten or in pencil. Do not use ink because ink will run if fuel is spilled on the tag.
QUALITY SURVEILLANCE CONSIDERATIONS
A fuel must be laboratory tested before and after government acceptance to make sure that it meets specifications. It must be clean and dry. A fuel is clean when it is free of suspended matter, sediment, and emulsions. A fuel is dry when it contains no undissolved water. A clean, dry fuel has a bright appearance, without cloud, haze, or visible solids.
TITLE SAMPLE LOG
A sample log should be maintained to track quality surveillance for storage tanks, facilities, refueling systems and vehicles, and bulk deliveries. The sample log should contain: date sampled; name of person taking the sample; sample source; type of sample; date sample results are received; results; and a remarks block.
CONTAMINATION TYPES
Contamination may consist of solid foreign matter, free or emulsified water, mixed fuels or grades of fuel, or all of these. The types of contamination are given below.
- Foreign Matter. Foreign matter can enter fuel from a number of sources such as tanks, pipes, hoses and pumps, and also from people. The foreign matter found most often consists of bits of rust, paint, metal, rubber, lint, dust, and sand. Rust is probably the most common of these. Sediment is the general term applied to solid contaminants.
- Water. Water is one of the most common contaminants. It can get into fuel through leaks and condensation. Dissolved water in fuel is like vaporized moisture in the air. Fresh or salt water may be present in small droplets that produce a cloud effect, in larger droplets that cling to the sides of containers, in very large amounts that settle to the bottom in a separate layer, or in emulsions. Emulsions usually occur when fuel droplets become suspended in water. This may happen when fuel is agitated in the presence of water, as when it passes through a pump. The heavier the fuel, the longer the emulsion may last.
- Mixed Fuels Or Grades. Mixed fuels or grades of fuels can be as serious as any other form of contamination. Different kinds of fuel must be stored in separate tanks and pumped one at a time so that fuels will not mix in lines, filter/separators, pumps, and refuelers. Be sure to mark all systems (fixed and mobile) to show what type of fuel each is handling at the time. Mixed fuels or grades are hard to detect without testing. Only people with a great deal of experience notice the slight changes in color or odor.
FIELD TESTS FOR CONTAMINATION
There are several ways to check for product contamination in the field. Product temperature and gravity, visual checks, particulate contamination by color and the Aqua Glo test all provide clues to product contamination. These tests are given below.
- Temperature and Gravity. When a shipment arrives at a Class III facility, take the temperature and API gravity of the product. Determine the API gravity of the product. Gravity indicates uniformity of fuel more reliably than its quality. If the API gravity is out of range of that of the expected product, or if the difference at the same temperature is greater than 1/2 degree, do not unload the product until it is laboratory tested, as it may be contaminated.
- Visual Checks. Look at the product carefully each time a transporter is loaded or unloaded. Proper color in a fuel indicates freshness and uniformity but not quality. When the color is off, it does not necessarily mean the product is off specification. However, it may show contamination or deterioration that may merit further investigation. If the fuel is cloudy or hazy, it probably contains undissolved water.
- Particulate Contamination. Particulate contamination may be determined using the color method in a field environment. Samples are checked against a color standard to determine if a product is suitable for use. This method does not replace requirement to have active filter/separators checked every 30 days by a laboratory.
- Aqua-Glo. The Aqua-Glow measures water in PPM. Tests results in excess of 10 PPM indicate aviation fuel is not suitable for Army or Air Force use. Aviation fuel used in Navy and Marine Corps equipment may not exceed 5 PPM.
LABORATORY TESTS
Laboratory tests ensure fuels meet specifications, identify unknown products, detect contamination, verify unfavorable field tests, and provide the basis for disposition of unacceptable fuel. Laboratory tests include, but are not limited to, distillation, gravity, corrosion, water tolerance, particulate matter, freeze point, vapor pressure, gum content, tetraethyl lead, and sulfur. Fuel must be tested by a laboratory when--
- Requested by petroleum offices.
- The quality of fuel is questioned or it cannot be classified.
- A filter/separator is first placed in service after the filter elements have been changed and every month after that.
- Aviation gasoline or jet fuel has been in above ground storage for 30 days, without addition of fresh stocks, in climates where the temperature is 90°F or higher, and when the fuel has been in aboveground or underground storage for 90 days, without addition of fresh stocks, in climates where the temperature is lower than 90°F.
- It is determined that an aviation fuel may be contaminated or commingled. Take samples and submit them to the laboratory for analysis. Do not use the suspected fuel unless laboratory tests prove it is usable.
- Commercial deliveries of bulk fuel are received and samples are required in accordance with AR 710-2, Appendix C, and DA Pamphlet 710-2-1, Table 12-3 or 12-4.
- Additional requirements are detailed in MIL-HDBK-200, Table III.
Section IV. Petroleum Quality Maintenance
INSPECTING AND CLEANING PETROLEUM TANKS
Before using any petroleum tank or tank vehicle, inspect the interior of the tank for serviceability. Check for rust, scale, dirt, foreign objects, and water. If any of these things are in the tank in sufficient levels to cause contamination, clean the tank before using it. Tanks should be cleaned as often as possible to prevent corrosion and pitting of interior surfaces. See Chapter 12 for details on cleaning petroleum tanks.
GENERAL PROCEDURES FOR QUALITY MAINTENANCE
To keep products on specification and prevent contamination, follow these procedures:
- Make sure the product name and grade are stenciled on storage tanks, tank compartments, vehicle manhole covers, pipelines, valves, loading racks, control valves and servicing units.
- When loading and unloading petroleum, make sure the product being loaded or unloaded is the same as the product in the receiving tank.
- Make sure a filter/separator is installed in each aviation fuel line between the storage tank and loading point. Take a sample to check the effectiveness of the filter/separator after the elements have been changed and each 30 days after.
- Always use operational filter/separators when dispensing fuel.
- Never carry mixed loads of fuel in multicompartment tank vehicles. Convert tankers from one fuel to the other using the procedures in Table K-1, page K-1.
- Each day a tank vehicle is used, recirculate the fuel in the tanker for 3 to 5 minutes. Then take a visual fuel sample and observe it for color brightness, and clarity. Also, if used for aviation refueling, an Aqua-Glo test must be performed. Do not use the tanker if the fuel is contaminated.
- After loading and before discharging a tank vehicle, gage the tank for water. If any water is found, drain it immediately through the gravity discharge outlet. In addition, drain the water from the manual water drain valve.
- Do not carry foreign objects in pockets or clothing when working around petroleum tanks. Keep tools away from tank openings.
- Keep hoses in storage compartments when not in use. Do not remove dust caps or plugs from nozzles until they are ready for use.

Figure 3-27. DA Form 1804 (Petroleum Sample)
|
NEWSLETTER
|
| Join the GlobalSecurity.org mailing list |
|
|
|

