Appendix E
Structural Mechanics
Engineers working with design analysis encounter mathematical problems on a daily basis. This appendix supports calculations used in this manual and consolidates some of the most often used mathematical concepts that are needed by engineers. Any force that causes an object to rotate is said to contribute a moment to the object. This and other concepts about loads, forces, reactions, and how to keep a body in equilibrium are discussed.
DEAD, LIVE, AND IMPACT LOADS
E-1. The dead load acting on a bridge is the weight of the permanent bridge components such as stringers, decking, accessories, and hardware. Base dead-load calculations on the dimensions of component members using the following densities:
- Timber, 0.04 kips per cubic foot.
- Concrete, 0.15 kips per cubic foot.
- Steel, 0.49 kips per cubic foot.
The dead load of the accessories can be closely estimated as follows:
- Timber-deck bridges, 0.1 kips per linear foot.
- Concrete-deck bridges, 0.4 kips per linear foot.
E-2. Live loads consist of any nonpermanent loads (such as vehicles, pedestrians, snow, ice, or wind) that are applied temporarily to a bridge. Consider the wheeled and tracked effect of these loads on the bridge and design the bridge for the worst case.
E-3. Impact loads are the forces exerted on a bridge as a result of the sudden application or removal of live loads. When steel stringers are used, increase the live load by 15 percent to account for the impact loading. Timber stringers tend to absorb shock, so no adjustment is needed for impact loading.
STRESSES
E-4. Stress is an internal force, or reaction, that results within a member when an external load acts on it. The loading condition (the position and movement of the load) may create in a member one or more of the stresses discussed below. Based on the material of the member, a limiting value can be placed on the magnitude of these internal stresses. For design and analysis, use the values in Appendixes C and D.
TENSILE STRESS
E-5. The tension member in Figure E-1 could be a suspension bridge cable or a truss component. As the member is being pulled, internal tensile stresses are formed as a reaction to the external loads. Compute the tensile stress as follows:
|
|
|

Figure E-1. Tension Member
COMPRESSIVE STRESS
E-6. If a bridge member is loaded compressively (as in the top chord of a truss bridge), internal compressive stresses are formed as a reaction to the external loads (Figure E-2). Compute the compressive stress as follows:
|
|
|

Figure E-2. Compression Member
BEARING STRESS
E-7. When stringers rest on a cap or sill, bearing stresses are introduced into both members at the point of contact (Figure E-3). Because of the large difference in allowable stresses between steel and timber, use bearing plates to increase the contact area and lower the bearing stress in timber. Compute the bearing stress as follows:
|
|
|

Figure E-3. Bearing Members
SHEAR STRESS
E-8. Shear forces act very much like a pair of scissors cutting a piece of paper. When forces of equal magnitude and opposite direction act on a member, internal shear forces are generated as a reaction to the external loads (Figure E-4). Shear failures in stringers usually occur close to the supports in members that are less than 20 feet long. Compute shear stress as follows:
|
|
|

Figure E-4. Shear Stress
MOMENT STRESS
E-9. Moment is the tendency of a body to rotate about an axis as a result of a force acting over a lever arm. Using a wrench to turn a bolt is a good example of moment. The longer the wrench, the less effort that is required to turn the bolt. Internal moment stresses are generated when members bend (such as when a stringer bends under the load of a vehicle). As shown in Figure E-5, compressive and tensile forces are generated inside the stringer as a result of an applied moment.
Figure E-5. Moment (Bending Stress)
E-10. Section modulous is the property that measures the beam's ability to resist bending. Although expressed in units of volume, section modulus functions as an index of the member's size, shape, and orientation with respect to the load. For example, of the two timber orientations shown in Figure E-6 the one to the left results in less deflection. This orientation is stronger and distributes the stress better because the compressive and tensile stresses generated by the moment in the beam are farther away from each other. Consequently, the section modulus of the stringer to the left is greater than the section modulus of the stringerto the right.
- Compute the bending stress as follows:
|
|
|

- Compute the section modulus for rectangular beams as follows:
|
|
|

Figure E-6. Stringer Orientations for Section Modulus
STATIC EQUILIBRIUM
E-11. If a body is at rest under the action of forces, it is said to be in equilibrium. To keep a body in equilibrium, the following three conditions must be met:
- The algebraic sum of all forces in a horizontal direction must equal zero (
FH = 0). The forces acting to the right are considered positive and the forces acting to the left are considered negative. - The algebraic sum of all forces in a vertical direction must equal zero (
Fv= 0). The forces acting upward are considered positive and the forces acting downward are considered negative. - The algebraic sum of all moments about any point must equal zero (
M = 0). The moments acting clockwise are considered positive the moments acting counterclockwise are considered negative.
E-12. These three conditions of static equilibrium are useful in analyzing the loading of structural members in a fixed bridge. For example, Figure E-7 shows a simply supported stringer in equilibrium with a 10-kip load acting vertically at midspan. To design the supports, use the three conditions for equilibrium to determine the reactions at Points A and B. For this example, ignore the dead-load effects of the stringer.
E-13. There are no horizontal forces, so the value for
FH is zero. Since the stringer is in equilibrium, the value for
Fv is also zero. The values for the reactions at Points A and B are unknown. However, even with two unknowns, the following equation must be true:
|
|
|

Figure E-7. Static Equilibrium
E-14. The moments about any point must also equal zero. The first step in summing the moments is to choose the point around which to sum the moments (the assumed point of rotation). The point of rotation can be anywhere on or off the beam, but it should eliminate one of the unknowns from the summation of moments equation.
E-15. Start at the left support (Point A) and sum all the moments caused by all the forces acting on the beam. The moment caused by a force equals the load multiplied by the perpendicular distance from the force's line of action to the point of rotation. Since all the forces acting on the beam are vertical, find the horizontal distance from the point at which the load acts to Point A. Sum all of the forces about Point A as follows:
|
|
|

E-16. Every force that acts on the beam must be included in the summation. The value for RA(0) equals zero, so the unknown RA drops out of the equation and only one unknown is left. With only one unknown, compute the reaction at Point B as follows:
|
|
|

E-17. With a value for the reaction at Point B, find the value for the reaction at Point A as follows:
|
|
|

E-18. If a force is applied at the midspan, the reactions at the ends should equal one-half the force and be opposite in direction. Providing values for the shear equation will prove this.
|
|
|

E-19. By knowing the values of RA and RB, all of the external forces acting on the beam are known. The internal reactions caused by the inside of the beam due to the external forces is determined next.
INTERNAL REACTIONS
E-20. To span a gap, a beam must remain rigid to keep from bending and falling into the gap (unlike a cable which bends and falls). The force that prevents a beam from bending is called the internal moment force. The beam must also have internal shear forces or it will not be able to resist cutting forces acting on it. As the beam must be rigid enough to span a gap, it must be in static equilibrium both internally and externally. The equilibrium equations apply both to the beam as a whole or to any portion of the beam.
E-21. Internal shear and moment act as a couple-two equal forces acting in opposite directions-as illustrated in the free-body diagrams in Figure E-8. In shear and moment calculations, always assume a positive couple. Then, if the assumptions are correct, the calculations will show positive shear or moment. If the assumptions are incorrect, the calculations will show negative shear or moment. If each shear-and-moment couple used the same negative and positive designation as those for the forces in static equilibrium, each couple would show both positive and negative forces. For this reason, use the sign conventions shown in the legend for Figure E-8. To determine the internal shear and moment values, analyze either of the free-body diagrams (Figure E-8) as if each were a separate beam with two unknown forces acting on the ends.
Figure E-8. Internal Shear and Moment Reactions
INTERNAL SHEAR FORCE
E-22. To determine the internal shear force, set the sum of the total vertical forces equal to zero. In Figure E-8 then, the only forces acting on the beam are the 5-kip reaction at Point A and the internal shear force. To work out the units correctly, always analyze the free-body diagram to the left of the point of interest. Begin at the far left of the diagram and work to the shear at the point of interest (Figure E-9) using the following equation:
|
|
|

Figure E-9. Internal Shear Force
INTERNAL MOMENT
E-23. To find the internal moment, sum the moments of all the forces to the left of the point of interest (Figure E-9). The best assumed point of rotation is at the center of the point of interest. Begin at the far left of the diagram and work to the moment at the point of interest (Figure E-10) using the following equation:
|
|
|

Figure E-10. Internal Moment
E-24. Although the internal moment equals the reaction at Point A times the distance from the point of rotation to the point of interest, the value of the internal moment is not multiplied by a distance. This is because it is a moment force, not a vertical force. Instead, it is just given the proper sign and added to the equation.
SHEAR AND MOMENT DIAGRAMS
E-25. A convenient way to portray the internal shear and moment due to external forces at any section of a beam is to construct diagrams. The best way to illustrate shear and moment diagrams is by the two examples discussed below.
EXAMPLE ONE
E-26. For shear and moment diagrams, start with a diagram of the beam. For this example, Figure E-11 shows a beam with two concentrated loads acting on it.
Figure E-11. Internal Moment for Example One
Shear Diagram
E-27. A shear diagram always begins and ends with the shear value equal to zero. The first step in drawing shear diagrams is to determine the support reactions due to the applied loads (use the conditions of static equilibrium). Next, draw a baseline directly below the beam diagram and to the same horizontal scale (Figure E-12). This line represents the horizontal axis where the value of shear equals zero. Draw light vertical lines at the ends of the baseline to mark the beginning and end of the diagram. The key locations are to the immediate right and left of any load or reaction. Find the internal shear of the key locations (listed in equation E-14) in the beam from the reaction at Point A (RA).
|
|
|

Figure E-12. Shear Diagram for Example One
E-28. Plot the shear values on the diagram as shown in Figure E-12. All values above the line are positive and those values below the line are negative. As the diagram shows, the internal shear remains constant between applied loads. Internal shear only changes at points where the load is applied. The shear value for the beam equals the reactions in the supports at the ends of the beam.
Moment Diagram
E-29. Begin the moment diagram by drawing a baseline directly below the shear diagram and to the same horizontal scale (Figure E-13). The baseline is the reference line where the moment equals zero.
Figure E-13. Moment Diagram for Example One
E-30. The key points for moment are at the points of the applied loads (Points A, B, C, and D in the diagram). To find the values for internal moment at the key points, start at Point A and work to the right, summing all of the moments (listed in equation E-15) to the left of the point of interest. A moment is a force times the perpendicular distance between the line of action of the force and the point at which moments are summed.
|
|
|

E-31. Plot the values for internal moment as shown in Figure E-13. As the diagram shows, maximum shear is at the ends of the beam and maximum moment is at the center of the beam. The shear and moment anywhere along the beam can be determined from this diagram.
EXAMPLE TWO
E-32. Figure E-14 shows a diagram for a uniformly loaded beam. A uniform load includes the weights of the beam, bridge deck, and snow or ice loads that are applied evenly along the length of a beam. Tracked vehicles also distribute loads along the length of the span. Uniformly distributed loads are expressed in an amount of loading per foot of span (in kips).
Figure E-14. Uniform Load
External Forces
E-33. The first step in drawing shear and moment diagrams is finding the external reactions at the supports. The total vertical forces and the total moments will both equal zero. The vertical forces acting in an upward direction are the unknown reactions at the supports. The vertical forces acting in a downward direction are the uniformly distributed load. To determine the total load acting downward on the span, multiply the uniformly distributed load by the span length. Compute as follows:
|
|
|

E-34. Since the equation has two unknowns, use the condition for moment in equilibrium. To determine the moment caused by the uniform load, convert the load to an equivalent concentrated load. The equivalent concentrated load is equal to the uniform load multiplied by the span length. It is positioned at the midspan (Figure E-15).
Figure E-15. Uniform to Concentrated Load for Example Two
E-35. To get rid of one of the unknowns in equation E-8, sum the moments about one of the supports (Point A or B). Compute as follows:
- For this example, start at the far left of the diagram for the concentrated load and sum the moments about Point A.

- To solve for the value of the reaction at Point B, use equation E-9.

- With a value for the reaction at Point B, find the value for the reaction at Point A.

Shear Diagram
E-36. Figure E-16 shows a uniformly loaded beam. Calculate for shear as follows:
- To compute the internal shear of the beam, start at the far left and sum all of the vertical forces to the point of interest (Figure E-17) as follows:

- To find the value for internal shear, substitute varying values for distance in the following equation:

Figure E-16. Beam Diagram for Example Two
Figure E-17. Sum Forces to Left of the Cut
E-37. Analyzing the equation algebraically will show that internal shear is a linear function of the distance from the support. Plotting the results of the equation gives a straight line that starts at 20, for a length value equal to 0, and ends at -20, for a length value equal to 20 (Figure E-18).
Figure E-18. Shear Diagram for Example Two
Moment Diagram
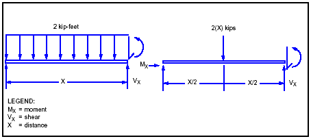
E-38. Begin the moment diagram by deriving a general equation for internal moment at any point. To do this, pretend to cut the beam at an unknown distance from the left support. Sum all of the moments about the cut point. Then, convert the portion of the uniformly distributed load acting on the span to the left of the cut into an equivalent concentrated load (Figure E-19).
- Compute the internal moment by summing the moments about Point D for all the forces acting to the left:

- Compute the moment at the point of interest as follows:

- Find the value for internal moment by substituting varying values for distance into equation E-22 and plotting the results on a moment diagram as shown in Figure E-20.
Figure E-19. Uniform to Concentrated Load
Figure E-20. Moment Diagram for Example Two
Shear- and Moment-Diagram Characteristics
E-39. Figure E-21 shows shear and moment diagrams and their related equations for specific loading conditions.
Figure E-21. Shear and Moment Diagrams

Figure E-21. Shear and Moment Diagrams (continued)

Figure E-21. Shear and Moment Diagrams (continued)

Figure E-21.Shear and Moment Diagrams (continued)

Figure E-21. Shear and Moment Diagrams (continued)

Figure E-21. Shear and Moment Diagrams (continued)
|
NEWSLETTER
|
| Join the GlobalSecurity.org mailing list |
|
|
|






















