Osan Air Base
37°05'N, 127°02'E
Osan is the most forward deployed air base to North Korea, only 48 miles away. Osan Air Base covers 1,565 acres. One of its most prominent features is it's 9,000-feet runway. Seoul, the capital of South Korea, is only 30 miles north of Osan. The airfield is only 45 nautical miles south of the DMZ and was overrun twice by North Korean and Chinese forces during the Korean War.
Osan Air Base is located in a section of South Korea known as the western lowlands. The low-land features of the surrounding terrain end rather abruptly north and northeast of the air base. Hills and mountains cover about 75 percent of Korea, with the remainder covered by scattered lowlands. Most of the rivers are short, swift, and shallow due to topography, narrowness, and sand deposits within the river. Three well-defined ridges begin approximately 11 miles (20 km) north through northeast from Osan Air Base. They are oriented north-south, with heights varying from 1,600-2,000 feet (488-610 meters). More gradual terrain changes occur east through south of the base for about 25 miles (46 km). However, even in this area of general gradual sloping, conditions, some isolated hilltops do extend to 1,000 (305 meters). An irregular chain of mountains with heights to 2,200 feet (671 meters) lies 25 miles (46 km) east-southeast through south of the base. The western rim of the Southern Taebaek and Sobaek mountain ranges lie 40 miles (74 km) northeast through southeast of the base.
Three separate valleys merge near Osan Air Base to form a relatively large flat basin about 5 miles (9 km) long and 2-4 miles (4-7 km) wide. The undulating hills that border these valleys rise to heights of 600 feet (183 meters). The Chinwi River flows westward parallel to the runway, and joins the Hwanggai-Chon River 1 mile (2 km) west of the field. The Yellow Sea is approximately 12 miles (22 km) due west, with one inlet to the southwest coming within 6 miles (11 km) of the base. The base is also surrounded by rice paddies, which enhance the already abundance moisture sources affecting the area. As the amount of moisture available would indicate, fog is one of the major forecast problems for Osan Air Base. The hills from the northwest through east through southwest shield Osan from most strong winds, but also tend to produce mechanical turbulence when low-level winds are in excess of 15-20 knots. Wind flow between 260-300 degrees is practically unimpeded allowing strong moisture advection from the Yellow Sea. This often results in sea fog and stratus during the spring and fall.
Even though Osan, located next to Songtan (a part of Pyongtaek City) is considered a remote assignment, a stroll down the base's main drag says otherwise. There, the aroma of American fast-food restaurants pulls in hungry customers, especially students attending a Department of Defense high school across the street. Considering Osan's mission and locale, many newcomers were often astonished to see family members, especially children. After all, word has it that Osan was an unaccompanied tour. This was not the case and the base had nearly 400 accompanied slots, primarily for mission-essential positions. Osan, with its 37 dorms, was second only to Lackland AFB, Texas, in the number of single/unaccompanied living quarters, and 3 new dorms were under construction at the Korean base. By the turn of the century, enlisted dorms were refurbished to include not only the common areas, but also new furniture for the majority of the 9,700 rooms. Contrary to continued beliefs, Osan troops no longer lived in Quonset huts or tents.
The Hardened Theater Air Control Center at Osan AB was the largest Combined Air Operations Center in the world. The "Hardened" in the HTACC's designation derives from the 10-foot-thick walls, hence the nickname "Cheyenne Mountain of South Korea." The HTACC's Defense Red Switch Network provided superior multi-level, self-authenticating, flexible, secure communications, which enhanced leadership's command and control effectiveness.
Osan needed data supplied by its tenant reconnaissance/intelligence units, such as the 5th Reconnaissance Squadron. Nicknamed the Blackcats, the 5th RS flew the gliderlike U-2s on daily missions that could last 11 or 12 hours. There was no rest for a unit that delivered information capable of deciding a battle's outcome. After 2 decades of being the warfighter's eyes and ears in Korea, the 5th had flown more than 7,000 operational sorties. Using data-link capabilities in near real-time, the 5th RS provided fresh images to the 607th Air Intelligence Squadron, an element of the 7th Air Force, for dissemination to policy-makers and combat troops.
The United States Air Force had a continuing requirement to maintain adequate supplies of ammunition and explosives within the ROK to support wartime and contingency operational plans. Since capabilities were limited on USAF-controlled installations, the US obtained additional storage capabilities through a concept known as MAGNUM (Munitions Storage Activities Gained by Negotiations of USAF/ROKAF Memorandum). MAGNUMs were a concept unique to Korea, where USAF-titled munitions were stored at facilities which were owned, operated, and protected by the ROKAF. Accordingly, the USAF had very little control over the storage of munitions within these areas and no authority to enforce the maintenance of Q-D clear zones. As a result of encroachment by the Korean civilians into the explosive clear zones, there were large numbers of exposures around the MAGNUMs. There was a permanent exemption from US DoD Q-D standards for off-installation and ROK exposures created by storage of USAF munitions at MAGNUM locations. This exemption applied for all off-installation and ROK violations created by the originally sited net explosives weight (NEW) of storage structures located at the Osan, Kunsan, Suwon, Kwang Ju, Sachon, Taegu, and Cheong Ju MAGNUMs.
Osan Air Base was also home to a forward deployed Joint Tactical Ground Station (JTAGS). The JTAGS at Osan Air Base was one of three forward deployed as of 2006, and was designed to track missile activity in North Korea. The facility was manned by a detachment of the 1st Space Company, Joint Tactical Ground Stations. The other JTAGS facilities were based in Japan.
Korean Air Simulation Center
The establishment of the Korean Air Simulation Center at Osan Air Base, Republic of Korea made air and space power modeling and simulation a permanent fixture on the Korean peninsula. It served as a valuable resource to the Korean Combined Forces Command, the US Air Force and Defense Department. The KASC used modeling and simulation technology to enable an array of computer and software tools to create graphically represented, synthetic environments for training and mission planning that challenge decision makers while testing strategy, plans and doctrine.
The KASC specifically focused on air and space power modeling and simulation and was one of 2 centers outside the United States. In the past, the modeling and simulation tools that were used during Ulchi Focus Lens had to be flown in from the United States, set up, and tested, an expensive, several-week ordeal. Following the exercise, the reverse would occur. With the sophisticated modeling and simulation tools in place year-round, the time and resources available for training increased dramatically
The center's powerful modeling and simulation tools provided benefits to the combined forces commander, air component commander, and down through the squadron level. The models allowed for practicing the execution of air and space tasking orders for missions, whether strike, reconnaissance, inter-theater airlift, logistics, unmanned aerial vehicles or maintenance. The models and simulations allowed the same people who were doing their jobs in wartime to walk through the decision making process, in exactly the same manner they would if hostilities were to occur.
During Ulchi Focus Lens '96, the KASC was linked real-time to the Korean Battle Simulation Center in Seoul, Camp Casey, the Navy's 7th Fleet Blue Ridge Command Ship, the Air Force's Theater Battle Arena at the Pentagon, the Warrior Preparation Center in Germany, and several other locations. The technology that made this possible was known as distributed interactive simulation. DIS allowed computers, software, models and simulations, as well as individuals, to interact real-time anywhere in the world.
Modeling and simulation, leveraged by DIS was revolutionizing exercises such as Ulchi Focus Lens, and ultimately the way the armed services train. The ability to distribute modeling and simulation globally would position the KASC to become one of the premier modeling and simulation centers in the Air Force. Continuing advances in technology promised to make the center a resource that was in great demand by units throughout the Korean theater, Pacific Air Forces, and other units interested in air and space power modeling and simulation throughout the world.
FASTBACK
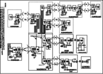
The FASTBACK system that was replaced in Korea is reflective of the typical legacy mw systems used by the US Army to support worldwide long haul communication requirements. The FASTBACK system (seven individual links) provided a secure reliable means of transmitting bulk data collected along the Demilitarized Zone to command groups located in the southern part of the country. The equipment (i.e., radios and multiplexers) supporting the FASTBACK system had been in operation for over fifteen years, utilizing technology that was over twenty years old. The FASTBACK system consisted of an AN/FRC-162 radio and AN/FCC-97 multiplexer. In the late 1990s it was replaced by a high speed (155 Mbps) SONET digital microwave radio that utilize the digital data multiplexer (DDM)-2000 OC3 multiplexer. The Digital Microwave Upgrade DMU Phase I is a good example of what occurs when the link bandwidth is increased (8 DS1s to 84 DS1s (three 45 Mbps DS3)) with high speed SONET digital microwave and interface requirements to existing older, low speed mw technology. The Yongsan to Madison, Osan to Madison, and Camp Humphreys to Madison FASTBACK links were replaced during Phase I with the Harris MegaStar 2000 SONET radio. The remaining FASTBACK mw links between Madison and Kamaksan, Kangwhado, and Songnam, and Kamaksan and Yawolsan, were replaced during DMU Phase III. In conjunction with the DMU, the digital patch and access systems (DPAS) at Yongsan, Osan, and Camp Humphreys were upgraded to support up to three DS3s each.
|
NEWSLETTER
|
| Join the GlobalSecurity.org mailing list |
|
|
|



